Термоэлектрические преобразователи с коммутационной головкой ТПК005, ТПL005
Термоэлектрические преобразователи с коммутационной головкой ТПК005, ТПL005 предназначены для непрерывного измерения температуры и могут быть использованы во всех отраслях промышленности.
Технические характеристики термоэлектрических преобразователей ТПК005, ТПL005
Номинальная статическая характеристика (НСХ): К(ХА), L(ХК).
Классы допуска: 2.
Рабочий диапазон измеряемых температур:
для типа ТПК 005 (хромель-алюмель): -40...+1200C
для типа ТПL005 (хромель-копель): -40...+600C
Диаметр термоэлектродной проволоки, (мм): 0,5; 0,7; 1,2; 3,2
Сопротивление изоляции, МОм, не менее: 100.
Количество рабочих спаев в изделии, шт.: 1 или 2.
Защищенность от воздействия пыли и воды по ГОСТ 14254: IP54
Группа климатического исполнения по ГОСТ 12997: Д2 и Р2
Вид климатического исполнения по ГОСТ 15150: ТЗ
Материал защитной арматуры - 12Х18Н10Т (сталь).
Устойчивость к механическим воздействиям по ГОСТ 12997 – "Вибропрочные", группа исполнения №3.
| Исполнение термопреобразователей | Показания тепловой инерции, с, не более | Условное давление, МПа, не более | |
| изолир.раб. спай | неизолир. раб.спай | ||
| ТПК(L)015; ТПК(L)025 | 30 | 15 | - |
| ТПК(L)035.... ТПК(L)085; ТПК(L)105 | 10 | ||
| ТПК(L)095 | 0,16 | ||
| ТПК(L)115; ТПК(L)125 | 50 | - | 0,25 |
| ТПК(L)135 | 0,16 | ||
| ТПК145; ТПК155; ТПК165 | 80 | 0,25 | |
| ТПК(L)225; ТПК(L)235; ТПК(L)245 | 10 | 5 | - |
| ТПК(L)255 | 15 | 10 | |
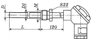
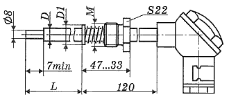
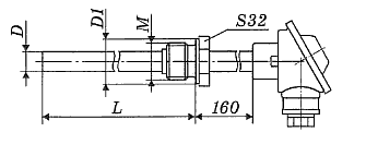
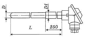
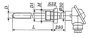
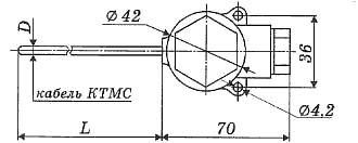
Модификация, конструктивное исполнение и схемы соединения термопреобразователей ТПК005, ТПL005
| Мод. | Конструктивное исполнение | D,мм | D1,мм | М,мм | L,мм |
| 015 | ![]() | 8 | - | - | 80,100, 120,160, 200,250, 320,400, 500,630, 800,1000, 1250,1600,2000 |
| 025 | 10 | ||||
| 035 |
| 8 | 18 | 20 х 1,5 | |
| 045 | 10 | ||||
| 055 | ![]() | 10 | 18 | 20 х 1,5 | |
| 065 | ![]() | 8 | 27 | 20 х 1,5 | |
| 075 | 10 | ||||
| 085 | 32 | 27 х 2,0 | |||
| 095 | ![]() | 10 | 18 | 20 х 1,5 | |
| 105 | ![]() | 8 | 27 | 20 х 1,5 | 80,100, 120,160, 200,250, 320,420, 500,630, 800,1000 |
| 115 | ![]() | 20 | - | - | L/l500/400, 1000/800, 1600/1250 |
| 125 | ![]() | 20 | - | - | 25032 0400 50063 0800 1000 1250 1600 2000 |
| 135 | ![]() | 20 | 32 | 27 x 2,0 | |
| 145 | ![]() | 12 | 18 | - | |
| 155 | 21 | 30 | |||
| 165 | ![]() | 21 | 32 | 27 х 2,0 | 250,320, 420,500, 630,800, 1000, 1250, 1600 |
| 185 | ![]() | 10 | 18 | 22 х 1,5 | 80,100, 120,160, 200,250, 320,400 |
| 195 | 27 x 2,0 | ||||
| 205 | ![]() | 10 | Сфера R 9,5 | 22 х 1,5 | |
| 215 | Сфера R 12 | 27 x 2,0 | |||
| 225 | ![]() | 1,5 | - | - | от 0,5до 20(метров) |
| 235 | 3,0 | ||||
| 245 | 4,0 | ||||
| 255 | 6,0 | ||||
| 265 | ![]() | 6 | 18 | 20 х 1,5 | 80,100, 120,160, 200,250, 320,420, 500,630, 800,1000 |
Таблица исполнений термоэлектрических преобразователей с коммутационной головкой ТПК005, ТПL005

Примеры записи при заказе термоэлектрических преобразователей ТПК005, ТПL005
1. для группы климатического исполнения Д2 и Р2
"Преобразователь термоэлектрический ТПК045-0211.320 ТУ 4211-006-18121253-98",
"Преобразователь термоэлектрический ТПК035-0100.160ТЗ ТУ 4211-006-18121253-98".
2. для тропического исполнения
"Преобразователь термоэлектрический ТПК065-1100.400 ТУ 4211-006-18121253-98".
1. для группы климатического исполнения Д2 и Р2
"Преобразователь термоэлектрический ТПL025-011.160 ТУ 4211-006-18121253-98",
"Преобразователь термоэлектрический ТПL045-110.500 ТУ 4211-006-18121253-98".
2. для тропического исполнения
"Преобразователь термоэлектрический ТПL105-020.ТЗ 320 ТУ 4211-006-18121253-98".

















